Чертежи штыревых лесов
Стойка Л-1
Стойка Л-2
Связь Л-6
Связь Л-9
Связь диагональная Л-5
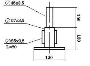
Башмак
+7(904)544-50-99, +7(908)924-71-49
+7(343)302-19-59, +7(982)654-75-73, +7 (7172) 69-66-16 (Казахстан, г.Астана)
Email: abriszsk@yandex.ru